Existing new pump house plumbing structure details dwg file

Existing new pump house plumbing structure details dwg file
Profile

Uploaded by:

Eiz

Luna

Description

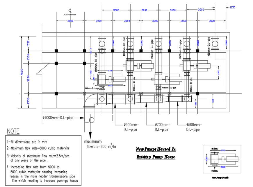
Existing new pump house plumbing structure details that includes a details view of maximum flow rate details, minimum flow rate details, pipe details, dimensions details, cubic meter and much more of pump house details.

Profile

Uploaded by:

Eiz

Luna

find Latest

Related Files

WhatsApp Chat