Chilled Water Pump Machine design CAD Drawing
Description
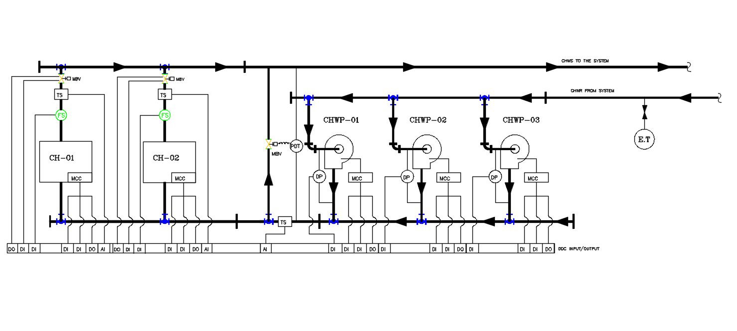
Chilled Water Pump Machine design Layout drawing that shows electrical wire units, electrical pump blocks, valve units, pipe blocks, pipe fixtures, Casing, Channel Ring, Impeller, Bearing, Shaft, Stuffing Box, Motor, and various other blocks details download AutoCAD file.
File Type:
DWG
File Size:
1.8 MB
Category::
Mechanical and Machinery
Sub Category::
Mechanical Engineering
type:
Gold

Uploaded by:
akansha
ghatge

