Gas Pump Station Design DWG File
Description
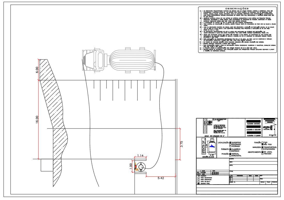
Download free DWG file of single gas pump station with tank vehicle design that give the information of warnings placed with letters not less than 0.05 meters, in quantity such that can be viewed from any directions of access to the lp gas center containing the following say: danger, flammable and non smoking.
Uploaded by:

