The Drawing files Show the detail of the Staircase partial section plan Download the AutoCAD DWG file.
Description
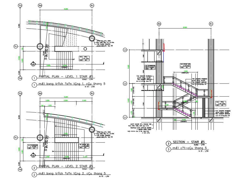
The Drawing files Show the detail of the Staircase partial section plan . This file shows a side elevation and the partial plan of the staircase .structure with staircase riser and treads details. Riser height and tread width details are also shown in the drawing. Download the AutoCAD DWG file.
File Type:
Autocad
File Size:
210 KB
Category::
Structure
Sub Category::
Section Plan CAD Blocks & DWG Drawing Models
type:
Gold

Uploaded by:
AS
SETHUPATHI

