Autocad drawing file having plan and elevation of a Tower. Download the AutoCAD Drawing file.
Description
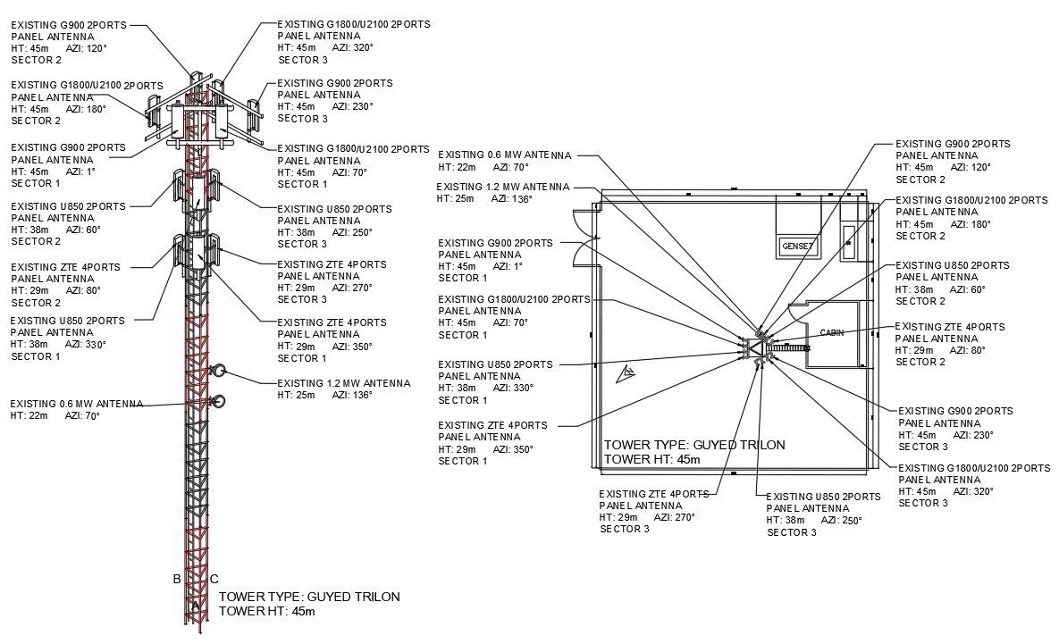
Autocad drawing file having plan and elevation of a Tower. The plan gives the detail of the tower area and the dimensions of the tower area were the tower is going to be placed. The plan shows were the cabin area of the tower is placed, genset, fuel tank and the tower with their dimensions the tower is of 45m height. The tower area is about 15m x 15m. The elevation of the diagram gives the detail of the height were the antenna and the ports panel antenna of the tower are placed. The antenna are placed at a height of 22m and 25m and above that all the ports panel antenna are placed. Thanks for Downloading AutoCAD DWG and other CAD program files from our website.
File Type:
DWG
File Size:
3.3 MB
Category::
Structure
Sub Category::
Section Plan CAD Blocks & DWG Drawing Models
type:
Gold
Uploaded by:

