Autocad drawing file having the details of water tower capacity. Download the autocad 2D DWG drawing file.
Description
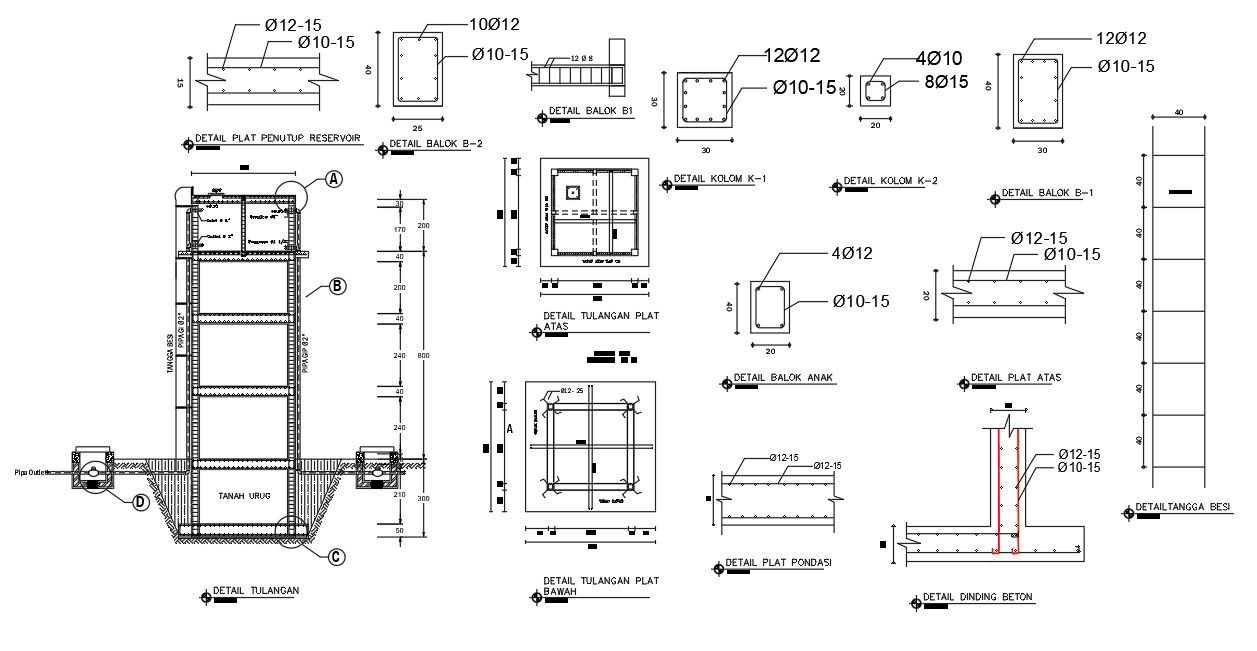
Autocad drawing file having the details of water tower capacity. In this drawing Reinforcement of beam, column are given clearly. The size of column is 30cm x 30cm. Size of beam is 40 x 25cm. The height of rod is given which used to water tank. Reservoir closing details were given the reinforcement detail. Different of beam size is provided with dimensions. Thanks for downloading the 2D Autocad file and other CAD files from our website.
File Type:
DWG
File Size:
320 KB
Category::
Structure
Sub Category::
Section Plan CAD Blocks & DWG Drawing Models
type:
Gold
Uploaded by:

