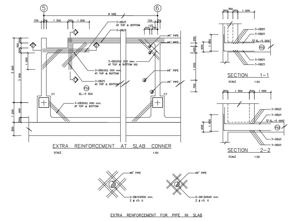
Extra Reinforcement at slab conner section details is given in this AutoCAD DWG file. Download the AutoCAD DWG file.
Description
Extra Reinforcement at slab conner section details is given in this AutoCAD DWG file. In this file, steel bar reinforcement, and Extra reinforcement for pipe in the slab were neatly shown. The section detail and the dimension were also are given clearly in this drawing. Download the AutoCAD DWG file now. Thanks for downloading the file and another CAD program from the cadbull.com website.
File Type:
DWG
File Size:
144 KB
Category::
Structure
Sub Category::
Section Plan CAD Blocks & DWG Drawing Models
type:
Free

Uploaded by:
AS
SETHUPATHI

