Fire extinguisher and water pipe connection sectional details are given in this AutoCAD 2D DWG drawing file. Download the AutoCAD DWG file.
Description
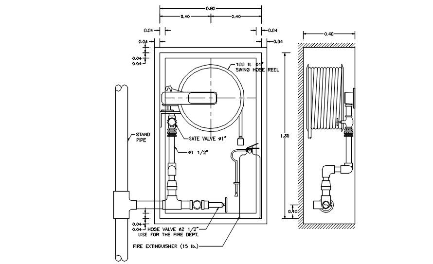
Fire extinguisher and water pipe connection sectional details are given in this AutoCAD 2D DWG drawing file. In this drawing file, swing hose reel, Gate valve, fire extinguisher and clear section details are given. Download the AutoCAD DWG file. Thank you so much for downloading DWG file from our website
File Type:
DWG
File Size:
517 KB
Category::
Dwg Cad Blocks
Sub Category::
Autocad Plumbing Fixture Blocks
type:
Gold

Uploaded by:
AS
SETHUPATHI

