Industrial Plant Drainage Water Manhole Cover Drawing DWG File
Description
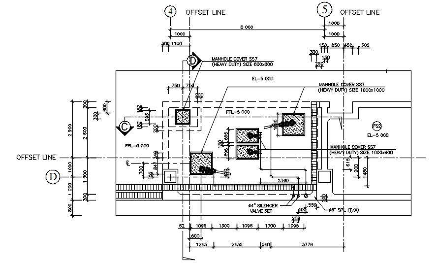
the industrial boiler plant drainage manhole cover for water boiler plant detail which consist manhole cover in different size see in this DWG file. also has blind flanges and wast outlet water connected with measurement detail. Thank you for downloading the AutoCAD file and other CAD program from our website.
File Type:
DWG
File Size:
279 KB
Category::
Dwg Cad Blocks
Sub Category::
Autocad Plumbing Fixture Blocks
type:
Gold
Uploaded by:

