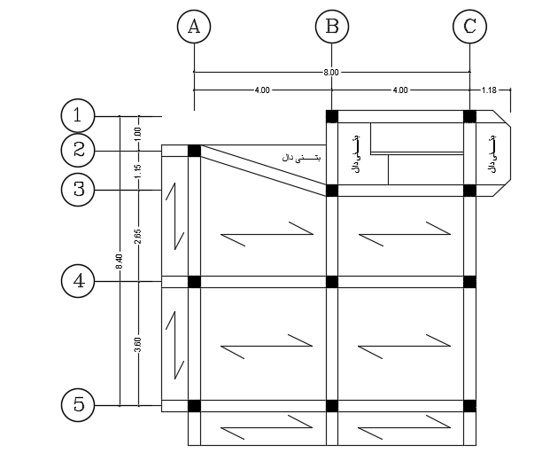
8x8m house plan plinth beam layout CAD drawing is given in this file
Description
8x8m house plan plinth beam layout CAD drawing is given in this file. The length of each beam is given. For more details download the AutoCAD drawing model from our website.
Uploaded by:

