14X18m architecture house plan cad drawing is given in this file
Description
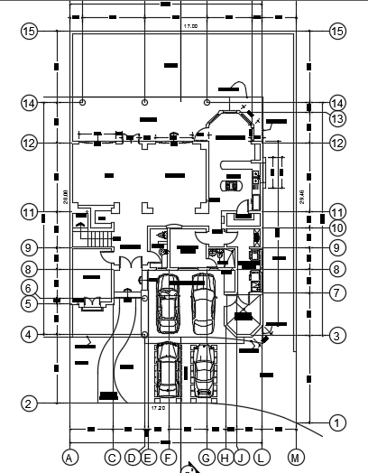
14X18m architecture house plan cad drawing is given in this file. This is two story house building. On this ground floor, the living room, kitchen, car parking, family room, dining area, garden, and common bathroom is available. For more details download the AutoCAD drawing model from our cadbull. Thank you for downloading the AutoCAD files from our cadbull website.
Uploaded by:

