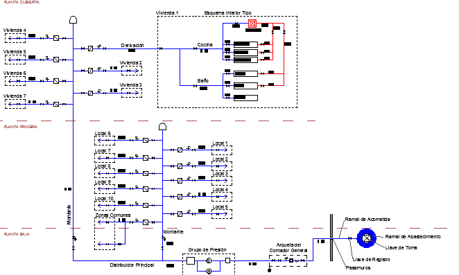
Plumbing details of housing project dwg file
Description
Plumbing details of housing project dwg file.
Plumbing details of housing project that includes supply branch, rush branch, socket wrench, registration key, wall passages, general accountant chest, pressure group, upright and much more of plumbing details of house.
File Type:
DWG
File Size:
47 KB
Category::
Dwg Cad Blocks
Sub Category::
Autocad Plumbing Fixture Blocks
type:
Gold
Uploaded by:

