Generator machine house constructive section and plan details dwg file

Generator machine house constructive section and plan details dwg file
Profile

Uploaded by:

Eiz

Luna

Description

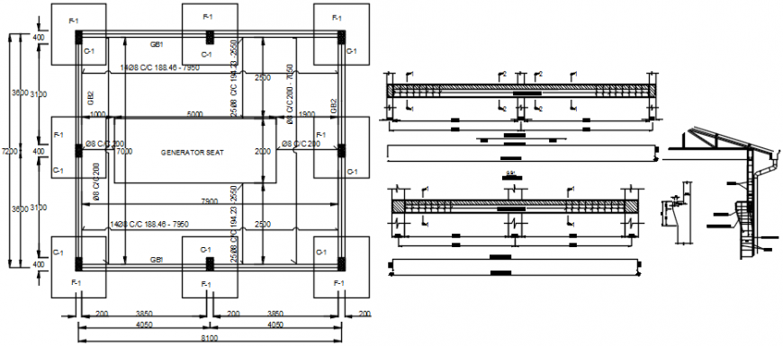
Generator house constructive section and plan details that includes memory of materials, footings details, column view and beam construction, covers closure type with soil buried wall closure and interior partition and granite veneer of the country with plan and dimension details, wall section details and much more of generator details.

Profile

Uploaded by:

Eiz

Luna

find Latest

Related Files

WhatsApp Chat