Residence house two story floor plan distribution drawing details dwg file
Description
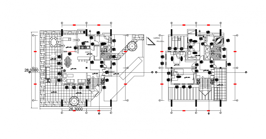
Residence house two story floor plan distribution drawing details that includes a detailed view of main entry house door, drawing room and living room with family hall details kitchen and dining area, indoor staircases and laundry area and balcony, details and bedroom or master bedroom, toilets and bathroom with indoor doors, furniture details and much more of house project.
Uploaded by:
Eiz
Luna

