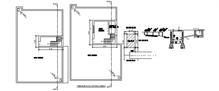
House building constructive section and framing plan drawing details dwg file
Description
House building constructive section and framing plan drawing details that includes a detailed view of free auto-cad file including flooring view with wall construction with memory of materials, footings details, column view and beam construction, covers closure type with soil buried wall closure and interior partition and granite veneer of the country with steel supports, halfeneisen type with Brick partition with plaster plastering and Concrete wall and much more of house details.
Uploaded by:
Eiz
Luna

