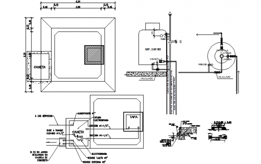
Septic tank of apartment building section, plan and plumbing structure details dwg file
Description
Septic tank of apartment building section, plan and plumbing structure details that includes a detailed view of method of fixing water gauge meter with boundary wall, septic tank plan details, elevation and all sided sectional details with dimensions details, manhole plan details, water depth detail, memory of material details, structure detail and much more of tank details.
Uploaded by:
Eiz
Luna

