Machinery mechanical units drawings 2d view elevation autocad file
Description
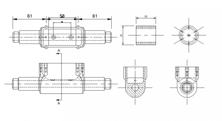
Machinery mechanical units drawings 2d view elevation autocad file taht sows welded and bolted joints connections details with section line and different sides of elevation of machinery units with dimension and hidden line details.
File Type:
DWG
File Size:
77 KB
Category::
Mechanical and Machinery
Sub Category::
Mechanical Engineering
type:
Gold
Uploaded by:
Eiz
Luna

